今天,普宁市农业农村局发布了关于印发《普宁市农村宅基地(旧宅改建)、集体建房申请审批工作指引》的通知,据悉本工作指引自2022年9月1日起实施,有效期4年。具体内容如下:




普宁市农村宅基地(旧宅改建)、集体建房申请审批工作指引
根据《中华人民共和国土地管理法》和《普宁市人民政府关于印发普宁市农村宅基地和住房建设管理实施细则的通知》(普府规〔2021〕3号)等法律文件的规定要求,结合我市实际,制定普宁市农村宅基地(旧宅改建)、集体建房申请审批工作指引。
一、 村民宅基地 (旧宅改建) 申请资格条件
属于本集体经济组织成员的农村村民具有下列情形之一的,可以申请宅基地(旧宅改建):
(一)符合我市“一户”认定情形条件的户;
(二)外来人口落户成为本集体经济组织成员,在本集体内没有宅基地,经过本集体经济组织民主程序同意的;
(三)因发生或者防御自然灾害、实施村庄和集镇规划及进行镇村公共设施和公益事业建设,需要搬迁安置的;
(四)法律法规规定以及经县级以上人民政府认定的其他情形。
二、宅基地审批程序
村民宅基地申请审批按以下程序办理:
(一)农户申请。符合宅基地申请资格条件的农户,以户为单位向具有宅基地所有权的农村集体经济组织提出宅基地建房申请,并提供以下材料:
1、按照要求填写《普宁市农村宅基地和建房(规划许可)申请表》(附件 1);
2、申请人(包括家庭成员)的身份证及户口簿;
3、签署《农村宅基地使用承诺书》(附件 2)。
农村集体经济组织收到以上申请材料应出具受理的书面凭证。
(二)村级审核。所在农村集体经济组织收到申请后 5 个工作日内,提交农村集体经济组织成员(代表)会议讨论并将申请理由、拟用地位置和面积、拟建房层高和面积等情况在本集体经济组织范围内公示,公示期不少于5个工作日。公示无异议或异议不成立的,所在农村集体经济组织 5 个工作日内在《普宁市农村宅基地和建房(规划许可)申请表》签署意见、连同农村集体经济组织成员(代表)会议记录等材料交村民委员会审查。
没有设立组级集体经济组织的,则由农户向村民小组提出申请,依照上述程序办理。没有分设村民小组的,则由农户直接向村民委员会提出申请,经村民委员会审查及村民代表会议通过后,在本村村务公开栏和申请农户建房所在地人口集聚区域进行公示,公示期不少于 5 个工作日。公示无异议或异议不成立的,由村委会签署意见,报送乡镇人民政府(街道办)。
村民委员会重点审查提交的材料是否真实有效、是否符合“一户一宅”等建房条件、拟用地建房是否符合村庄规划、是否征求了用地建房相邻权利人意见等。村民委员会收到申请后 10 个工作日内作出审查意见,审查通过的,在《普宁市农村宅基地和建房(规划许可)申请表》签署意见,连同村民委员会讨论会议记录、公示资料等一并报乡镇人民政府(街道办)。村级审查未通过的,应在 10 个工作日内告知申请农户并说明理由。
(三)乡镇审批。乡镇人民政府(街道办)应当设立宅基地申请受理窗口,受理窗口收到村民委员会提交申请资料后,应当出具受理的书面凭证;组织农业农村、自然资源等有关部门进行审核审查,农业农村部门负责审查申请人是否符合申请条件、拟用地是否符合宅基地合理布局要求和面积标准、宅基地和建房(规划许可)申请是否经过村组审核公示等,并综合各有关部门意见提出审核建议;自然资源部门负责审查用地建房是否符合国土空间规划、用途管制要求等,其中涉及占用农用地或未利用地的,应办理农用地转用审批手续(时间另计);林业等有关部门负责审查是否符合林地保护利用规划等相关专项规划,项目建设涉及使用林地的,须依法依规办理征占用林地手续。涉及水利、电力等部门的要及时征求意见。相关单位在收到征求意见通知 5 个工作日内回复意见。具体按照下列程序分别作出处理:
1、申请在宅基地范围内建房,不涉及农用地转用的,由乡镇人民政府(街道办)根据各部门联审结果,在《普宁市农村宅基地和建房(规划许可)审批表》(附件 3)签署审批意见。
2、申请涉及占用农用地或未利用地建房需新增建设用地的,由乡镇人民政府(街道办)汇总后上报市自然资源局办理农用地转用或使用未利用地审批手续;涉及山边水边建房的需进行地质灾害危险性评估。履行宅基地审批程序后,村民方可建房。
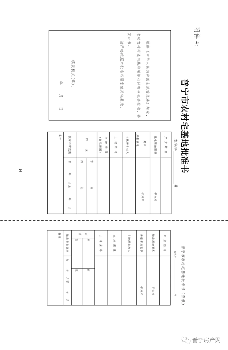
3、涉及削坡建房的,乡镇人民政府(街道办)应当先进行风险评估,通过评估后再审批。符合条件、资料齐全的自收到申请资料之日起 20 个工作日办结,出具《普宁市农村宅基地批准书》(附件 4)和由接受委托的乡镇人民政府(街道办)核发《乡村建设规划许可证》(附件 5),并报市农业农村局、市自然资源局等部门备案。乡镇人民政府(街道办)应及时将审批结果在申请人所在集体经济组织范围内进行公布和乡镇(街道)政府门户网上公示(不少于 5 个工作日)。材料不齐全的,书面通知村民委员会,由申请人限期补正,逾期不补正的,视为撤回申请。
有下列情形之一的,不予批准:
(一)不符合年龄要求等分户条件的;
(二)不符合乡、镇国土空间规划或者村庄规划的;
(三)申请易址新建住房,但拒绝提交退出原有宅基地承诺书的;
(四)所申请的宅基地存在权属争议的;
(五)将原有宅基地或者住房出卖、出租、赠予或者改为经营场所等非生活居住用途后,再次申请宅基地的;
(六)原有住房被依法征收已得到住房安置的;
(七)已参与集体建房,住房权益已得到保障的;
(八)有违法用地或者有违法住房建设行为未经处理的;
(九)法律法规规定以及经县级以上人民政府认定的其他情形。
乡镇人民政府(街道办)不予批准的,须书面通知申请人,说明不予批准的理由,并告知其法律救济途径。
(四)施工放样。宅基地申请人取得《普宁市农村宅基地批准书》和《乡村建设规划许可证》后,可向乡镇人民政府(街道办)申请免费放样服务,填写《普宁市农村宅基地建房放样申请书》(附件6)。乡镇人民政府(街道办)应当自收到申请书之日起 7 个工作日内给予放样服务。
宅基地申请人取得《普宁市农村宅基地批准书》和《乡村建设规划许可证》之日起1年内开工建设。逾期未开工建设且未办理延期手续或申请延期未获批准的,《农村宅基地批准书》和《乡村建设规划许可证》失效。
需要延长期限的,应当在期限届满30日前向乡镇人民政府(街道办)提出申请办理延期手续,经批准延期的,延期不得超过6个月。
《农村宅基地批准书》和《乡村建设规划许可证》失效后可以重新申请。
三、村民申请分配集体建房资格条件
符合下列情形之一的村民,可以申请分配集体建房:
(一)未分配宅基地,且符合“一户一宅”宅基地申请政策的本集体经济组织成员;
(二)与村集体协商一致,由村集体收回宅基地使用权,并注销原宅基地使用证及其房屋所有权证,凭宅基地“以地换房”的村民;
(三)原住房不符合规划或者因国家、集体建设需要搬迁的,或者因自然灾害等原因,需要安置的;
(四)经市人民政府批准纳入的其他情形。
四、集体建房按下列程序申报审批
(一)农户申请及委托。符合申请分配集体建房资格条件的农户,以户为单位向具有宅基地所有权的农村集体经济组织提出申请,并提供以下材料:
1、按照要求提交《普宁市农村宅基地和建房(规划许可)申请表》(附件1)及委托书(可在申请表的申请理由中写明委托村级组织实施集体建房);
2、申请人(包括家庭成员)的身份证及户口簿;
3、签署《农村宅基地使用承诺书》(附件2)。
(二)编制方案。编制集体建房方案(包括资金筹措、成本核算、房屋分配、建设计划等内容),方案需符合国土空间规划、村庄规划、林地保护利用规划(涉及林地的),选址需避让自然保护地,并予以公示和征求意见。
(三)方案表决。建房方案须经过具有土地所有权的农村集体经济组织成员(代表)会议表决通过。
(四)结果公示。表决结果及相关材料应当予以公示,公示期不少于 5 个工作日。
(五)填写申请表。村级组织填写《普宁市农村集体建房(规划许可)申请表》(附件7),并附计划分配村民名单、村民申请表和委托书。
(六)镇级审核。经表决通过的申报材料报镇街审核。镇街严格审查把关材料的真实性,是否符合国土空间规划、村庄规划、林地保护利用规划(涉及林地的),是否经过民主表决及公示程序,房屋分配对象是否适格等,审核通过后将方案、公示材料、申请表、审核意见等材料报市人民政府审批。
(七)县级审批。市人民政府收到材料后组织农业农村、自然资源、住房和城乡建设等有关部门进行复审,复审通过的,准予办理建设用地规划许可和用地批准手续。
(八)项目报建。方案通过市人民政府审批的,以村级组织为主体申请办理用地、建设用地规划许可证、建设工程规划许可证、施工许可证和竣工验收等手续。
本工作指引自2022年9月1日起实施,有效期4年。

附:原文件